РИ RS-485
Материал из TekonWiki
Перейти к навигацииПерейти к поиску
НАЗНАЧЕНИЕ
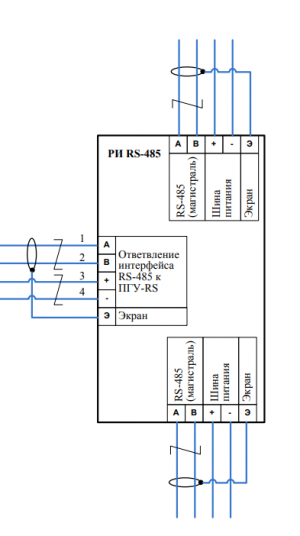
РИ RS-485 предназначен для подключения приёмопередатчиков сигналов интерфейса RS-485 или по другим интерфейсам, отвечающим электрическим параметрам устройства, посредством магистрального и отводящих проводов.

ТЕХНИЧЕСКИЕ ХАРАКТЕРИСТИКИ
| N | Наименование параметра | Значение параметра |
|---|---|---|
| 1 | Масимальное допустимое напряжение, В | 250 |
| 2 | Максимально допустимый ток через контакт, А | 5 |
| 3 | Рабочая температура, град.С | -40 .. +50 |
| 4 | Количество подключаемых проводников | 5 |
| 5 | Тип клеммных блоков | нажимной |
| 6 | Сечение зажимаего провода, мм2 | 0,2 ... 1,5 |
| 7 | Степень защиты корпуса | IP54 |
| 8 | Масса, кг, не более | 0,1 |
| 9 | Средний срок службы, лет, не менее | 10 |
| 10 | Габаритные размеры, мм | 85х85х35 (без ушек) ушки с одной строны корпуса, вместе с ними ширина 100 мм |
РИ RS-485 изготавливается в виде платы с клеммными колодками. Клеммы обеспечивают надежный контакт без утяжки за счет подпружинивания. Плата размещается в монтажной коробке со степенью защиты IP54.
В состав РИ RS-485 входят:
- плата разветителя;
- монтажная коробка
Габаритные размеры РИ RS-485 представлены на чертеже
Возможно исполнение с одним (по-умолчанию) и с двумя клеммными блоками для ответвлений.
УКАЗАНИЯ ПО ЭКСПЛУАТАЦИИ
При применении разветвителя интерфейса следует учитывать, что ответвления от магистрали RS-485 должны быть как можно меньшими.
Подробнее см. Интерфейс RS-485
СХЕМЫ ПОДКЛЮЧЕНИЯ